Firma Schaeffler - Erweiterung Lernwerkstatt in Bühl

Infos

Bauherr Schaeffler Bühl
Standort Industriestraße 7, 77855 Bühl
Planungsleistungen HOAI Phase 1 bis 8
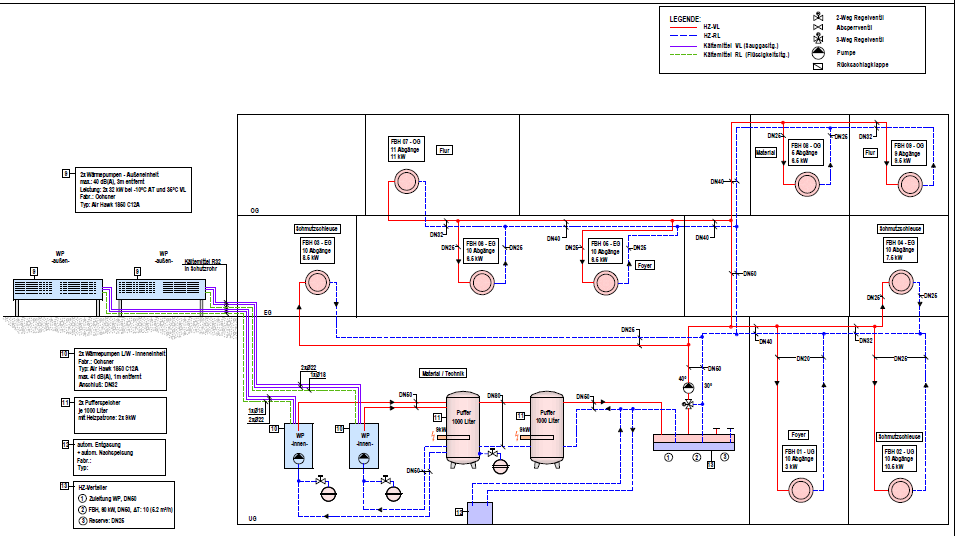
Gewerke Heizung, Lüftung, Sanitär, Kälte und MSR
Planungszeitraum Februar 2022 bis Aktuell
Kosten Haustechnik ca. 975.000 € netto
Nutzfläche Lernwerkstatt und Heizzentrale ca. 1.100 m²

Beschreibung

Erweiterung der Lernwerkstatt in einer bestehenden Halle und Erneuerung der Heizzentrale bei der Firma Schaeffler in Bühl.
Installierte Heiz- und Kälteleistung 1 Luft-Wasser Wärmepumpe mit 150 kW HZG und 171 kW KLT mit 2 Pufferspeichern à 2.000 L
Installierte Heiz- und Kälte Verbraucher ca. 550 m² Fußbodenheizung, 6 Heizflächen, 25 Heiz- und Kälte Wand- und Brüstungsgeräte
Sanitär Einrichtungsgegenstände ca. 40 m² Installationswände mit ca. 15 Objekten
Installierte Lüftungsgeräte
  • 1 wetterfestes RLT-Gerät mit 4.500 m³/h und WRG
  • 1 Wohnraumlüftung mit 360 m³/h und WRG